|
|
|
|
|
近日,2022年辽宁省有序用电方案印发,方案提出,坚持“总量控制、结构优化”,统筹电网运行安全、电力设备安全、供用电秩序稳定,按照先错峰、后避峰、再限电的顺序实施有序用电。详情如下:
辽宁省工业和信息化厅关于印发2022年辽宁省有序用电方案的通知
各市工业和信息化局,国网辽宁省电力有限公司:
为满足全省经济社会发展和人民生活用电需求,在确保电网安全前提下,保障电力供应平稳有序,最大限度减少因有序用电带来的损失,根据国家发展改革委《有序用电管理办法》和2022年全省电力供需平衡预测,我厅组织编制了2022年辽宁省有序用电方案。现将该方案印发给你们,请遵照执行。
辽宁省工业和信息化厅
2022年6月22日
2022年辽宁省有序用电方案
为加强和规范有序用电管理,维护正常供用电秩序,确保电网安全稳定运行,根据国家发展改革委《有序用电管理办法》(发改运行〔2011〕832号),制定本方案。
一、总体要求
认真贯彻落实省委省政府关于电力供应保障工作要求,统筹地区产业结构、用电特性、发电能力等因素,科学研判电力供需形势,主动应对电力供需矛盾。严防拉闸限电,切实保障群众生活、城市运行和基本公共服务用电。坚持需求响应优先,有序用电保底,节约用电助力,最大限度减少对全省经济社会发展的影响。
二、工作原则
(一)安全稳定。坚持“总量控制、结构优化”,统筹电网运行安全、电力设备安全、供用电秩序稳定,按照先错峰、后避峰、再限电的顺序实施有序用电。
(二)有保有限。坚持“先生活、后生产”,优先保障居民生活和涉及公众利益、国家安全的重要用户用电需求,首先限制高耗能高排放用户用电负荷,压减产能过剩行业用电和不合理用电需求。
优先保障以下用电需求
1.应急指挥和处置部门,主要党政军机关,广播、电视、电信、交通、监狱等关系国家安全和社会秩序的用户。
2.危险化学品生产、矿井等停电将导致重大人身伤害或设备严重损坏企业的保安负荷。
3.重大社会活动场所、医院、金融机构、学校等关系群众生命财产安全的用户。
4.供水、供热、供能等基础设施用户。
5.居民生活,排灌、化肥生产等农业生产用电。
6.国家重点工程、军工企业。
优先保障用电的用户不列入有序用电措施安排。
重点限制以下用电需求
1.违规建成或在建项目。
2.产业结构调整目录中淘汰类、限制类企业。
3.单位产品能耗高于国家或地方强制性能耗限额标准的企业。
4.景观照明、亮化工程。
5.其他高耗能、高排放企业。
重点限制用电的用户,必须列入IV级有序用电措施安排。
(三)注重预防。坚持“科学调度、提前准备”,加强电力供需平衡预测分析,及时发布电力供需预警信息,提前做好有序用电各项准备,有效提升应急响应能力。
三、电力供需形势分析预测
(一)电力供应能力分析
1.省内电源现状及检修情况
截至目前,全省发电装机容量为6229.66万千瓦,其中火电3749.58万千瓦,水电304.96万千瓦,风电1113.68万千瓦,太阳能503.92万千瓦,核电557.52万千瓦。全省电源中,省级调度不能调用或不能可靠调用电源3204.37万千瓦,包括风、光发电1617.60万千瓦,国网调用电源570.5万千瓦、省内即将退役火电170万千瓦、火电影响出力或背压机组非供热期不可调用659万千瓦,预留事故备用200万千瓦。
在新投电源计划方面,2022年,辽宁电网计划新投220千伏火电厂1座,新投机组2台,装机容量70万千瓦。计划新投核电机组1台,装机容量110万千瓦。计划新投风电项目23个,新增装机容量262.12万千瓦。计划新投光伏项目23个,新增装机容量202.86万千瓦。
在机组检修方面,以发电公司申报的机组年度检修计划为依据,综合考虑输变电设备检修、网络约束、供需平衡等多种因素,2022年,辽宁电网计划安排火电机组检修63台次,核电机组检修4台次,水电机组检修30台次。
在来水方面,预计2022年来水总体趋势为平水。预计桓仁水库全年来水35-45亿立方米区间,接近于近年平均值(42亿立方米)。
2.联络线受入情况
2022年,预计联络线(含绥中电厂)净受电量609亿千瓦时,同比增加1.6%。预计最大净受入电力1000万千瓦左右。从各月情况看,7、8月份联络线净受电力平均值在650万千瓦左右。
3.电网安全稳定情况
随着2021年500千伏盛京、登台等重点工程相继投运,沈阳、大连地区供电能力明显提升,2022年正常方式主网各分区供电能力均能满足用电负荷需求。但随着用电负荷的进一步增长,如果再遇到连续高温等极端情况,主网多座变电站仍面临主变过载风险。受部分220千伏输电断面热稳定和局部电压稳定问题制约,鞍山、营口、丹东等地的个别区域供电裕度仍然较低,需要密切关注负荷发展趋势,提前做好方式调整等准备措施。此外,常规电源对于保持主网稳定作用更加凸显,需确保发电能力。
(二)电力供需平衡情况分析预测
7、8月份是我省迎峰度夏期间的负荷高峰期,预计全社会最大用电负荷达到3750万千瓦,同比增长2.5%。在不考虑电网事故备用的情况下,可靠电源最大供电能力达到3862.51万千瓦,存在电网事故备用不足200万千瓦情况。如果夏、冬两季负荷高峰期发生电煤供应不足、联络线净受入电力降低、机组非计划停机增多等突发状况,我省将出现电力供应紧张。
四、负荷调控指标分配
(一)预警分级
预计2022年辽宁电网最大供电负荷为3270万千瓦,辽宁省有序用电预警等级划分如下:
Ⅰ级:红色预警,特别严重,电力缺口981万千瓦(20%以上,按30%考虑)。
II级:橙色预警,严重,电力缺口654万千瓦(10-20%之间,按20%考虑)。
III级:黄色预警,较重,电力缺口327万千瓦(5%-10%之间,按10%考虑)。
IV级:蓝色预警,一般,电力缺口163.5万千瓦(5%以下,按5%考虑)。
(二)调控指标
在2022年电力负荷预测基础上,综合考虑各市用电负荷结构特点,各市III、IV级方案指标按照工业负荷占全省比例制定,I、II级方案指标按照全市用电负荷占全省比例的90%、工业负荷占全省比例的10%加权制定,形成《辽宁省2022年有序用电负荷调控指标分解表》(附件1),作为各市安排本地区有序用电负荷调控措施和确定本地区有序用电措施启动级别的依据。
五、有序用电措施安排
(一)总体安排
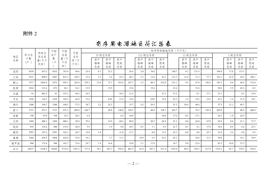
有序用电措施包括高峰时段用电负荷转移到其他时段的错峰措施,高峰时段削减、中断或停止用电负荷的避峰措施和特定时段限制某些用户的部分或全部用电需求的限电措施。全省IV级有序用电措施总负荷717.4万千瓦,III级有序用电措施总负荷801.9万千瓦,II级有序用电措施总负荷1145.0万千瓦,I级有序用电措施总负荷1323.6万千瓦。(附件2)。其中日间(8:00-21:00)执行措施分别为IV级464.7万千瓦,III级544.7万千瓦,II级872.6万千瓦,I级1049.7万千瓦。夜间(21:00-8:00)执行的有序用电措施分别为IV级252.8万千瓦,III级257.1万千瓦,II级272.4万千瓦,I级273.8万千瓦。全省有序用电措施可以满足各级负荷调控指标。
(二)轮停序限措施安排
当全省范围内,出现长时间、大负荷有序用电时,省内部分企业以轮替停产(简称轮停)或有序轮替限制部分生产负荷(简称序限)的方式实施有序用电。省级轮停用户127户,可停负荷87.09万千瓦,分为7组作为省级统筹轮停方式参与有序用电措施。序限用户108户,可压限负荷145.08万千瓦,分为7组作为省级统筹序限方式参与有序用电措施(附件3、4)。根据负荷缺口情况,采取不同停开组合执行轮停序限。省级轮停序限措施计划压限负荷不足时,各市自行安排有序用电措施补足负荷缺口。各市可针对本地区用户用电特性,在有序用电持续实施时期,因地制宜安排本地省级统筹外的用户执行轮停序限。
(三)限制“两高”用户措施安排
由于全省各市“两高”用户分布地区差异明显,本年度由各市统筹本地区“两高”用户执行有序用电措施,首先限制本地区“两高”用户用电需求。当负荷缺口大且持续长时,省工业和信息化厅可以在综合研判出负荷缺口趋势基础上,决定针对个别高耗能行业整行业实施有序用电措施。
六、组织实施
(一)方案启动
1.国网辽宁省电力公司密切跟踪电力需求走势,协调国网东北分部及时提供数据,提前一周预测辽宁电网电力供需平衡,预判电力供应紧张时,报经省工业和信息化厅同意后,启动需求响应。国网辽宁省电力公司根据实际需要的负荷削减量确定邀约范围,向邀约范围内的用电企业发出响应邀约,组织执行需求响应方案,响应结束后发出响应解除通知。用电企业应及时反馈是否参与响应及响应能力,按照约定执行需求响应,收到响应解除通知后自行调整用电负荷。
2.国网辽宁省电力公司关注需求响应执行效果,预测执行需求响应后仍出现负荷缺口或需求响应负荷削减量不足以覆盖电力缺口时,提出有序用电预警等级意见,报省工业和信息化厅。
3.省工业和信息化厅综合研判国网辽宁省电力公司意见,决定启动有序用电方案,并向省政府、国家发展改革委报告。
4.省工业和信息化厅按照电网供需平衡情况,对各市下达《各市执行有序用电限制电力明细表》(附件5)。
5.国网辽宁省电力公司在有序用电方案启动后,立即采取相关准备措施,跟踪研判电力供需形势,如未出现预判的电力供电缺口,提出预警解除建议,报省工业和信息化厅同意后,取消实施有序用电措施。
6.省工业和信息化厅在全省已连续实施有序用电措施2周以上,且预计还将持续实施2周以上、日限电时长超过12小时的情况下,部署各市工业和信息化局通知相关企业,启动省级统筹轮停序限方式实施有序用电。
(二)方案执行
1.各市工业和信息化局按照《各市执行有序用电限制电力明细表》,按照先错峰、后避峰、再限电的顺序,确定本市实施有序用电措施级别和执行有序用电用户。首先限制“两高”用户用电负荷。纳入有序用电执行范围的用户负荷,除正在执行需求响应外,其他正常执行有序用电。对用户实施有序用电时,要保留必要的保安负荷和承担居民供暖、供气等民生工程负荷。
2.各市供电公司按照市工业和信息化局或国网辽宁省电力公司部署,对用户实施、变更、取消有序用电措施前,履行告知义务。
3.电力用户接到有序用电通知后要立即响应,按照通知要求做好有序用电准备,采取措施,确保本单位负荷调控落实到位。有序用电执行过程中,要严格按计划压限负荷,不能超限用电和提前恢复用电。
4.各市工业和信息化局要优先执行已启动的高耗能行业整行业有序用电措施和省级统筹轮停序限有序用电措施。省级统筹有序用电措施启动时有明确的执行组别和执行时间(或频率)。整行业有序用电措施和轮停序限措施限下电力包含在各市执行有序用电限制电力分解指标中。
5.国网辽宁省电力公司应组织各市、县(市、区)供电公司,有序用电执行期间,利用电网调度系统和需求侧管理系统监控、统计执行情况,发现问题时,及时报告本级工业和信息化部门进行处理,确保有序用电措施执行到位。
6.各市应在供电缺口超出错避峰和限电压减能力、突发事件导致执行时间严重不足等紧急状态下,执行超计划用电限电序位表、事故限电序位表、处置电网大面积停电事件应急预案和黑启动预案等。各市工业和信息化局要第一时间向本市政府、省工业和信息化厅和本市应急管理部门报告。
7.国网辽宁省电力公司应在预计电力供需形势明显缓和情况下,及时提出终止执行有序用电方案建议,报省工业和信息化厅同意后,终止执行。有序用电工作结束时,国网辽宁省电力公司应及时告知相关用户,恢复正常生产秩序。
8.各级工业和信息化部门应密切跟踪有序用电执行情况以及对企业生产的影响,发现问题及时协调解决。对执行方案不力、擅自超限额用电的电力用户,要责令改正。情节严重的可根据国家有关法律法规停止供电,所造成的相应损失由用户承担。
有序用电方案启动和执行流程详见附件6。
(三)情况统计
国网辽宁省电力公司及各市供电公司应将有序用电影响的用户数、用电负荷、用电量等信息(附件7),于当日有序用电结束8小时内报同级工业和信息化部门。
七、工作要求
(一)严格落实责任。各市工业和信息化局要加强统筹协调,组织做好本市有序用电工作,督促本地区电力用户严格执行有序用电安排。国网辽宁省电力公司作为重要实施主体,及时配合各市工业和信息化局在提前告知情况下,依法依规,按规定程序对超用电力用户强制削减或暂停供电。要确保有序用电方案有力执行,安排有序用电任务时对同行业用户要公平公正。电力用户要严格落实有序用电措施,制定非电保安措施,重要用户按国家规定配置应急保安电源。
(二)强化合同约定。国网辽宁省电力公司要研究与除产业结构调整目录中淘汰类、限制类企业外的电力用户协商签订可中断负荷协议、高可靠性负荷协议,指导用户编制具有可操作性的内部负荷控制方案。对符合有序用电执行原则的新上或恢复用电以及用电变更的电力用户,要及时纳入有序用电方案。
(三)提升供电能力。国网辽宁省电力公司调度机构要加强机组运行考核管理,稳定和深挖电网可用出力,积极沟通增加联络线净受入电力,努力提升电网供电能力。发电企业要抓好电煤库存和设备运维,确保机组安全稳定运行和满发满供。发电企业要及时发布机组非计划停运预警,省工业和信息化厅与国网辽宁省电力公司收到预警后24小时内到现场核实情况,并根据核查结果协调解决问题,推动具备条件的机组恢复并网运行或恢复备用。拥有自备电厂的用户,在有序用电期间不得减少发电量。
(四)规范市场管理。电力市场交易用户与其他用户共同承担有序用电义务,按照有序用电方案和各市工业和信息化局部署公平参与有序用电。因有序用电导致的偏差电量不纳入偏差考核。国网辽宁省电力公司要做好有序用电影响用户电量统计梳理,经东北能源监管局和省工业和信息化厅同意后,作为减免考核依据。对拒不依法履行有序用电方案的电力用户,依据《辽宁省电力用户信用管理办法(试行)》(辽信办发〔2020〕3号)规定,认定为严重失信行为。
(五)提升智能化管理。各市工业和信息化局要指导相关电力用户安装负荷控制装置。鼓励用户在本地工业和信息化局及电网企业组织指导下,配合安装负荷控制装置,精确确定保安负荷,并改造具备远程控制功能的负荷开关,改造完成后不得随意更改。国网辽宁省电力公司建设全省电力负荷管理系统,充分发挥先进技术手段,深化专变采集终端负荷控制功能。国网辽宁省电力公司在确保安全生产的情况下,充分发挥负荷控制装置的作用,保障有序用电执行到位。
(六)加强监督考核。各市工业和信息化局要履行本地区有序用电组织工作的主体责任。省工业和信息化厅围绕考核指标体系,采取“日调度、周报告、月考评”的形式,通过数据分析和现场检查的方式,开展有序用电执行考评工作。对有序用电执行不到位,甚至发生非不可抗力导致拉闸限电的情况,将按照国家能源局的要求开展情况调查,包括事件经过、各相关方是否履职尽责、发现风险或收到隐患后是否及时报告和处置等情况。针对调查发现的违规情况,向省政府报告,并按程序向纪检监察、组织(人事)等有关方面提出处置建议,涉嫌违法犯罪的,将线索移交司法机关依法处理。
(七)做好宣传演练。各级电网企业要积极配合当地电力管理部门,及时将电力供需形势和有序用电意义及措施向社会各界宣传解释到位,准确发布权威信息,及时回应社会关切,大力推动工商业用户节能增效和全社会节约用电工作。要提高服务水平,认真听取、妥善解决用户反映的实际问题。各市工业和信息化局要在本方案印发之日起一月内,组织开展一次实施有序用电措施演练。
八、附则
(一)由于负荷预测存在较多不确定因素,在实际安排各市限电指标时,将根据实际缺口情况,以各市不同时段负荷预测值为依据,并按实际负荷情况进行指标调整。
(二)为更好地实施有序用电,省工业和信息化厅将及时调整有序用电方案。
(三)本方案自印发之日起实施。在新的有序用电方案实施前按本方案执行。
(四)本方案由辽宁省工业和信息化厅负责解释。
附件:
1.有序用电负荷调控指标分解表
2.有序用电措施负荷汇总表
3.省级统筹轮停序限有序用电分组汇总表
4.省级统筹轮停序限有序用电措施明细表
5.各市执行有序用电限制电力明细表
6.启动执行流程图
7.辽宁省有序用电执行情况日报表
























- 西安热工研究院有限公司
- 中国电机工程学会
- 国家核电技术公司
- 中国电力科学研究院
- 火力发电分会(电机工程学会)
- 火力发电分会(中电联)
- 中国电力规划设计协会
- 中国电力建设企业协会
- 华润电力控股有限公司
- 国电电力发展股份有限公司
- 华能国际电力股份有限公司
- 大唐国际发电股份有限公司
- 中国华电工程(集团)有限公司
- 山东黄台火力发电厂
- 中国华电集团发电运营有限公司
- 内蒙古蒙电华能热电股份有限公司
- 园通火力发电有限公司
- 广西柳州发电有限责任公司
- 株洲华银火力发电有限公司
- 内蒙古岱海发电有限责任公司
- 山西漳山发电有限责任公司
- 湖北华电黄石发电股份有限公司
- 黑龙江华电佳木斯发电有限公司
- 陕西蒲城发电有限责任公司
- 福建华电永安发电有限公司
- 开封火力发电厂
- 华电国际邹县火力发电厂
- 中山火力发电有限公司
- 山西阳光发电有限责任公司
- 国电长源电力股份有限公司
- 山东新能泰山发电股份有限公司
- 宜昌东阳光火力发电有限公司
- 扬州火力发电有限公司
- 太仓港协鑫发电有限公司
- 甘肃电投张掖发电有限责任公司
- 陕西渭河发电有限公司
- 国投钦州发电有限公司
- 大唐淮南洛河发电厂
- 国电丰城发电有限公司
- 靖远第二发电有限公司
- 国华绥中发电有限公司
- 元宝山发电有限责任公司
- 开封火力发电厂
- 云南华电巡检司发电有限公司
- 云南华电昆明发电有限公司
- 国投宣城发电有限责任公司
- 山东黄岛发电厂
- 国投北部湾发电有限公司
- 西北发电集团
版权所有©火力发电网 运营:北京大成风华信息咨询有限公司 京ICP备13033476号-1 京公网安备 110105012478 本网站未经授权禁止复制转载使用












