|
|
|
|
|
河北省2020年计划淘汰煤电机组16台
时间:2020-03-12 08:52:41
河北省发改委近日发布了关于火电去产能2019年完成情况及2020年目标任务的公示,详情如下:
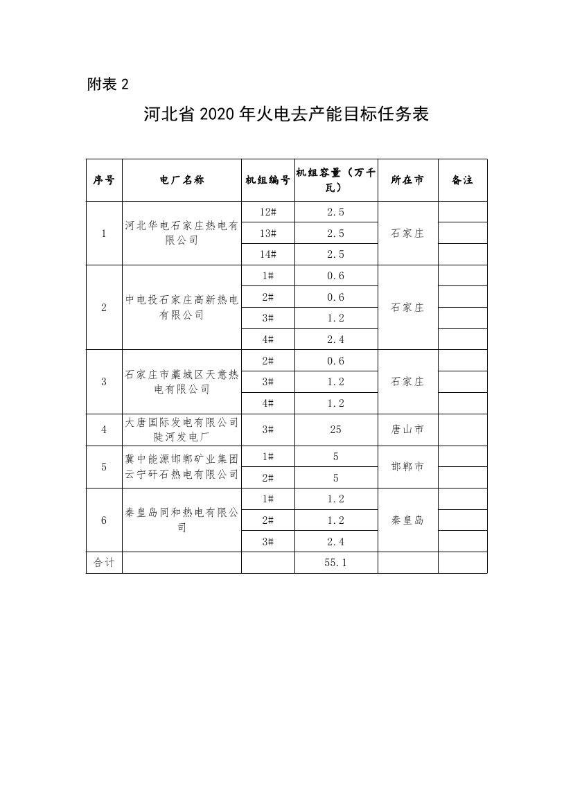
按照国家和省有关要求,2019年我省计划淘汰煤电机组13台、容量50.6万千瓦,机组已按照要求于2019年底前拆除了相关设备,不具备恢复生产能力;2020年计划淘汰煤电机组16台、容量55.1万千瓦,机组需于2020年9月底前关停、10月底前拆除相关设备。现将我省火电去产能2019年完成及2020年目标任务情况予以公示,请社会各界监督。
附:1.2019年火电去产能完成情况表
2.2020年火电去产能目标任务表


- 西安热工研究院有限公司
- 中国电机工程学会
- 国家核电技术公司
- 中国电力科学研究院
- 火力发电分会(电机工程学会)
- 火力发电分会(中电联)
- 中国电力规划设计协会
- 中国电力建设企业协会
- 华润电力控股有限公司
- 国电电力发展股份有限公司
- 华能国际电力股份有限公司
- 大唐国际发电股份有限公司
- 中国华电工程(集团)有限公司
- 山东黄台火力发电厂
- 中国华电集团发电运营有限公司
- 内蒙古蒙电华能热电股份有限公司
- 园通火力发电有限公司
- 广西柳州发电有限责任公司
- 株洲华银火力发电有限公司
- 内蒙古岱海发电有限责任公司
- 山西漳山发电有限责任公司
- 湖北华电黄石发电股份有限公司
- 黑龙江华电佳木斯发电有限公司
- 陕西蒲城发电有限责任公司
- 福建华电永安发电有限公司
- 开封火力发电厂
- 华电国际邹县火力发电厂
- 中山火力发电有限公司
- 山西阳光发电有限责任公司
- 国电长源电力股份有限公司
- 山东新能泰山发电股份有限公司
- 宜昌东阳光火力发电有限公司
- 扬州火力发电有限公司
- 太仓港协鑫发电有限公司
- 甘肃电投张掖发电有限责任公司
- 陕西渭河发电有限公司
- 国投钦州发电有限公司
- 大唐淮南洛河发电厂
- 国电丰城发电有限公司
- 靖远第二发电有限公司
- 国华绥中发电有限公司
- 元宝山发电有限责任公司
- 开封火力发电厂
- 云南华电巡检司发电有限公司
- 云南华电昆明发电有限公司
- 国投宣城发电有限责任公司
- 山东黄岛发电厂
- 国投北部湾发电有限公司
- 西北发电集团
本站介绍 |
帮助中心 |
服务条款 |
联系我们
版权所有©火力发电网 运营:北京大成风华信息咨询有限公司 京ICP备13033476号-1 京公网安备 110105012478 本网站未经授权禁止复制转载使用
版权所有©火力发电网 运营:北京大成风华信息咨询有限公司 京ICP备13033476号-1 京公网安备 110105012478 本网站未经授权禁止复制转载使用












